{"product":{"productId":"agid.16530","price":1.86,"name":"Kühlmittelschläuche LOC-LINE® Flexi"},"currency":"EUR"}
Werkstoff
Azetal-Copolymer (POM).
Ausführung
Gelenkschlauch Farbe blau oder schwarz.
Zubehörteile Farbe orange.
Zubehörteile Farbe orange.
Mehr anzeigen
Weniger anzeigen
Beschreibung
Werkstoff
Azetal-Copolymer (POM).
Ausführung
Gelenkschlauch Farbe blau oder schwarz.
Zubehörteile Farbe orange.
Zubehörteile Farbe orange.
Hinweis
Flexibler Gelenkschlauch zum Durchleiten oder Absaugen von Flüssigkeiten sowie zum Absaugen von Staub, Dampf und Rauch. Er lässt sich beliebig verlängern und verkürzen. Das Material ist resistent gegen die meisten Chemikalien und Lösungsmittel. Es ist nicht elektrisch leitend und somit auch für den Einsatz auf Erodiermaschinen geeignet.
Punktgenau einstellbar, vibrationsstabil, positionstreu, druckstabil. Beliebig kombinierbar mit Düsen, Verschraubungen, Abzweigungen, T-Stücken, Reduzierstücken, Verlängerungen usw.
Empfohlener Leitungsdruck:
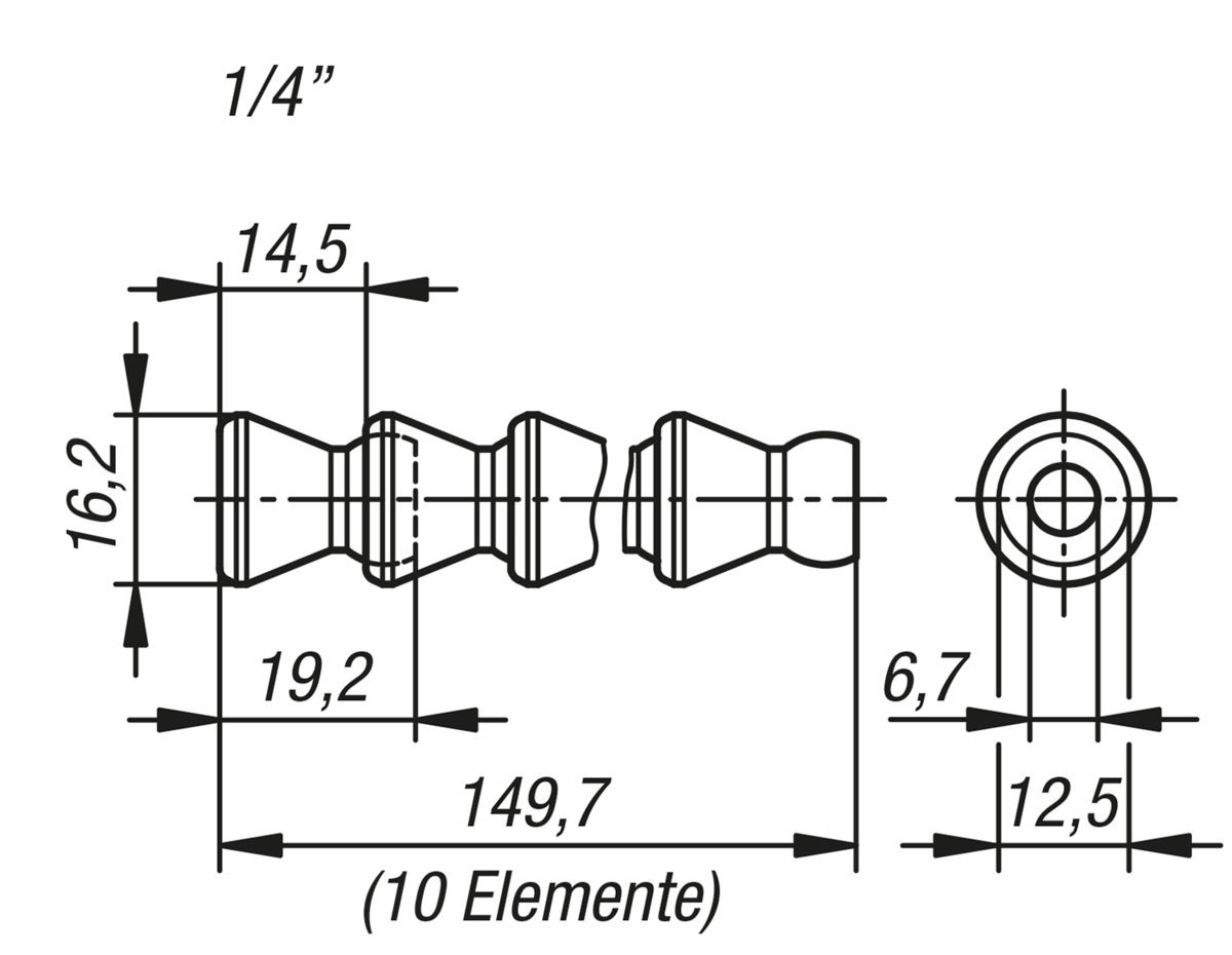
Größe 1/4” 2-3,5 bar
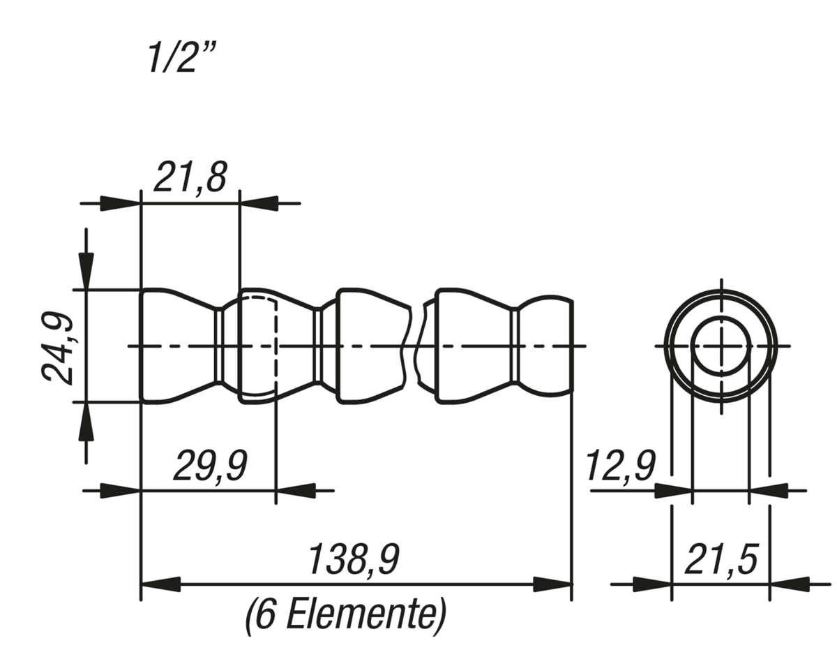
Größe 1/2” 1,4-2 bar
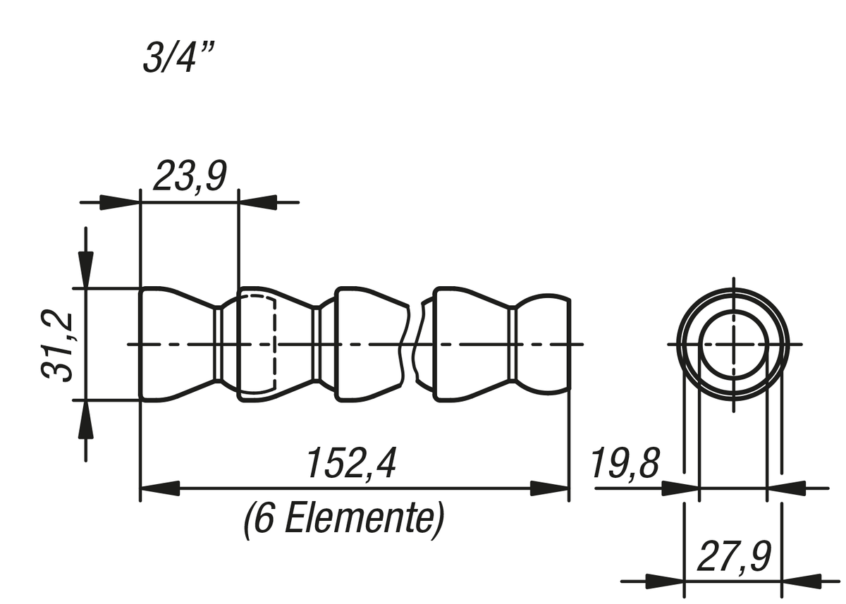
Größe 3/4” 0,7-1,4 bar
Durchflussmenge:
Größe 1/4” 950 l/h.
Größe 1/2” 1800 l/h.
Größe 3/4” 4300 l/h.
Punktgenau einstellbar, vibrationsstabil, positionstreu, druckstabil. Beliebig kombinierbar mit Düsen, Verschraubungen, Abzweigungen, T-Stücken, Reduzierstücken, Verlängerungen usw.
Empfohlener Leitungsdruck:
Größe 1/4” 2-3,5 bar
Größe 1/2” 1,4-2 bar
Größe 3/4” 0,7-1,4 bar
Durchflussmenge:
Größe 1/4” 950 l/h.
Größe 1/2” 1800 l/h.
Größe 3/4” 4300 l/h.
Temperaturbereich
-20 °C bis +80 °C.
Wichtiger Hinweis zum Download von CAD-Modellen
Um unsere CAD-Modelle herunter laden zu können, müssen Sie sich vorher einloggen. Sollten Sie noch kein Konto angelegt haben, registrieren Sie sich bitte unter „Mein Konto“ (rechte Bildschirmseite) und folgen Sie den Anweisungen.